Лифтовое и электротехническое оборудование Звонки по России бесплатно!   8 800 2000 951 info@lift-post.ru заказать звонок
  Название товара Цена без НДС Количество  
Пост приказной ППЛ-06Н3
По запросу
Пост приказной ППЛ-06Н3
Характеристики
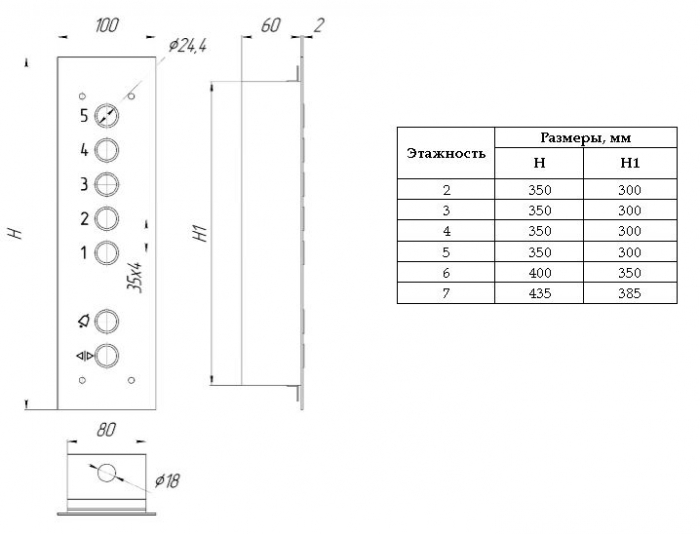
Вид кнопок круглые пьезокнопки IP68 с кольцевой индикацией
Вид поста приказной
Исполнение поста шлифованная нержавеющая сталь
Стандартная высота кожуха H1, мм 350
Стандартная высота панели H, мм 400
Этажность приказного поста 6


Описание

Нагрузочные характеристики:

Нагрузочная способность по току: 0-0,15А

Рабочее напряжение контактов: =24В

Рабочее напряжение индикации: =12-24В


В интернет-магазине «Электроавтоматика» Вы сможете купить Пост приказной ППЛ-06Н3 по выгодной цене. Наш каталог включает в себя Пост приказной ППЛ-06Н3. Доставка лифтового оборудования осуществляется по всей России, удобным для покупателя способом и в кратчайшие сроки.

Как купить

Доставка

Продукция, представленная в каталоге компании «Электроавтоматика», поставляется по всей территории России. Компания «Электроавтоматика» выполняет доставку продукции по РФ через удобные покупателям транспортные компании.

Оплата

Заказанные в нашем интернет-магазине товары оплачиваются после согласования с менеджером путем перечисления денежных средств на расчетный счет.

Гарантии

Сотрудничая с нами, Вы получаете высокопрофессиональное обслуживание, качественную продукцию по очень выгодным для Вас ценам.


ЛИФТОВОЕ ОБОРУДОВАНИЕ ВЫСШЕГО КАЧЕСТВА

ООО «Электроавтоматика» надежный поставщик лифтового оборудования, клеммной продукции и кнопочных выключателей.

Компания ООО «Электроавтоматика» занимается производством и поставкой лифтового оборудования, клеммной продукции и кнопочных выключателей повышенной надежности.

Подробнее о деятельности компании

История компании насчитывает 10 лет успешной работы в сфере производства лифтового оборудования и является надежным партнером многих компаний, работающих на лифтовом рынке России.

Залог успеха нашей компании — удовлетворение потребностей рынка.

Производство оснащено высокотехнологичным производственным оборудованием, что позволяет нашей компании выполнять самые сложные задачи производства.

Постоянно расширяющийся ассортимент продукции представляет вниманию заказчика самые разнообразные вариации исполнений и может удовлетворить любой спрос, имея возможность производства в изготовлении самых сложных и смелых проектов.